1.Alternate methane gas/light oil burner.
2. Two-stage operation (high/low flame).
3.Air-gas mixing at blast-pipe and high pressure mechanical atomisation of fuel using nozzle.
4.Ability to obtain optimal combustion values by regulating combustion air and blast-pipe.
5.Hinged connection, can control the natural open, maintenance is convenient.
6.Servo motor to adjust the air flow.
7.Using a flange and high temperature resistant heat insulation pads connected to the boiler.
8.Combustion air intake with air flow adjustment device.
9.Burner air inlet with mute design.
10.Adjustable blast-pipe with stainless steel nozzle and deflector disk in steel.
11.Two three-phase motor, a drive fan motor ,a driving oil pump.
12. UV ultraviolet phototube detects flame.
13.Electrical plant protection rating Ip40.
Products
BTN85/120/150GLRTwo-stage light oil &gas dual burners
Product Model
BTN85GLR

| power | Model | Art No. | Power supply |
Motor power
kW |
packing Size
L x P x H mm |
Net weight
kg |
| 238 ~820 | BTN85GLR | 202 23 025 | 380V 50Hz | 1.1+0.37 | 1000x1010x755 | 84 |
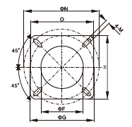
| Model | A | B | C | D | E | F | G | H | B1 | K | L | O | N | M |
| mm | mm | mm | mm | Φmm | Φmm | Φmm | mm | mm | mm | mm | mm | Φmm | M | |
| BTN85GLR | 746 | 588 | 1060 | 250 | 180 | 190 | 290 | 320 | 231 | 151 | G2" | 320 | 370 | 4-M12 |
BTN120GLR


| power | Model | Art No. | Power supply |
Motor power
kW |
packing Size
L x P x H mm |
Net weight
kg |
| 348 ~1165 | BTN120GLR | 202 23 026 | 380V 50Hz | 1.5+0.37 | 1000x1010x755 | 87 |
| Model | A | B | C | D | E | F | G | H | B1 | K | L | O | N | M |
| mm | mm | mm | mm | Φmm | Φmm | Φmm | mm | mm | mm | mm | mm | Φmm | M | |
| BTN120GLR | 773 | 588 | 1060 | 250 | 180 | 190 | 290 | 320 | 231 | 151 | G2" | 320 | 370 | 4-M12 |
BTN150GLR


| power | Model | Art No. | Power supply |
Motor power
kW |
packing Size
L x P x H mm |
Net weight
kg |
| 468~1400 | BTN150GLR | 202 23 027 | 380V 50Hz | 2.2+0.37 | 1000x1010x755 | 90 |
| Model | A | B | C | D | E | F | G | H | B1 | K | L | O | N | M |
| mm | mm | mm | mm | Φmm | Φmm | Φmm | mm | mm | mm | mm | mm | Φmm | M | |
| BTN150GLR | 773 | 588 | 1060 | 280 | 190 | 200 | 290 | 320 | 231 | 151 | G2" | 320 | 370 | 4-M12 |






