1.Alternate methane gas/light oil burner.
2.Single stage operation(on/off).
3.Air-gas mixing at blast-pipe.
4.Ability to obtain optimal combustion values by regulating combustion air and blast-pipe.
5.Do not need to remove the installation of flange and combustion cylinder,it can be directly removed burner.
6.Manual flow adjustment.
7.Using a flange and high temperature resistant heat insulation pads connected to the boiler.
8.Combustion air intake with air flow adjustment device.
9.Adjustable blast-pipe with stainless steel nozzle and deflector disk in steel.
10.Momophase electric motor to run fan and pump
11.Flame presence check by photoresistance and ionisation electrode.
12.Electrical plant protection rating Ip40
13.Plastic protection cover.
14.Air A1 inlet with quieter.
Products
BTN15/20/30GL/GLWOne stage light oil &Gas dual fuel burner
Product Model
BTN15GL/GLW

| power | Model | Power supply |
Motor power
kW |
packing Size
L x P x H mm |
Net weight
kg |
| 50 ~160 | BTN15GL/GLW | 230V 50Hz | 0.2 | 525x375x365 | 12 |
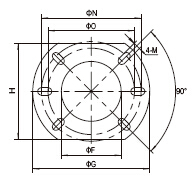
| Model | A | A1 | B | C | D | E | F | G | H | B1 | K | L | O | N | M |
| mm | mm | mm | mm | mm | Φmm | Φmm | Φmm | mm | mm | mm | mm | Φmm | Φmm | M | |
| BTN15GL/GLW | 290 | 357 | 302 | 433 | 160 | 114 | 124 | 220 | 195 | 144 | 72 | G3/4" | 160 | 190 | 4-M8 |
BTN20GL/GLW


| power | Model | Power supply |
Motor power
kW |
packing Size
L x P x H mm |
Net weight
kg |
| 60 ~205 | BTN20GL/GLW | 230V 50Hz | 0.2 | 525x375x365 | 12 |
| Model | A | A1 | B | C | D | E | F | G | H | B1 | K | L | O | N | M |
| mm | mm | mm | mm | mm | Φmm | Φmm | Φmm | mm | mm | mm | mm | Φmm | Φmm | M | |
| BTN20GL/GLW | 290 | 357 | 302 | 433 | 160 | 125 | 135 | 220 | 195 | 144 | 72 | G3/4" | 160 | 190 | 4-M8 |
BTN30GL/GLW


| power | Model | Power supply |
Motor power
kW |
packing Size
L x P x H mm |
Net weight
kg |
| 100~280 | BTN30GL/GLW | 230V 50Hz | 0.25 | 525x375x365 | 12.5 |
| Model | A | A1 | B | C | D | E | F | G | H | B1 | K | L | O | N | M |
| mm | mm | mm | mm | mm | Φmm | Φmm | Φmm | mm | mm | mm | mm | Φmm | Φmm | M | |
| BTN30GL/GLW | 290 | 357 | 302 | 433 | 160 | 125 | 135 | 220 | 195 | 144 | 72 | G3/4" | 160 | 190 | 4-M8 |






