1.Light oil burner
2.Two-stage sliding/modulating working
3.High pressure mechanical atomisation of fuel using nozzle.
4.Ability to obtain optimal combustion values by regulating combustion air and blast-pipe.
5.The hinge connection, can be opened naturally.
6.Maintenance facilitated by the fact that the atomisation unit can be removed without having to remove the burner from the boiler.
7.Two-stage Air flow regulation for first and second stage by means of hydraulic regulator. The burner is paused, close the throttle to reduce the loss of furnace heat.
8.Sliding/modulating The servo motor which fixed with a cam can adjust the consumption for fuel and air.
9.One flange and one insulating seal for boiler fastening.
10.Combustion air intake with air flow adjustment device.
11.Sliding boiler coupling flange to adapt to head protrusion of the various types of boilers.
12.Sliding boiler coupling flange to adapt to head protrusion of the various types of boilers.
13.Three-phase electric motor to run fan and pump.
14.Flame presence check by photoresistance.
15.Electrical plant protection rating Ip40.
Products
BT300/350/600LR/LCTwo-stage Sliding/Modulatig Light Oil Burner
Product Model
BT300LR/LC


| power | Model | Max Viscldity | Power supply |
Motor power
kW |
packing Size
L x P x H mm |
Net weight
kg |
| 1304~3854 | BT300LR/LC | 1.5 | 380V 50Hz | 7.5 | 1620x1200x960 | 246/288 |
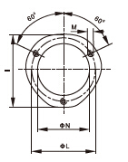
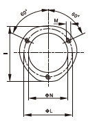
| Model | A | B | C | D | E | F | N | L | I | 圖號 | M |
| mm | mm | mm | mm | Φmm | Φmm | Φmm | Φmm | mm | - | M | |
| BT300LR/LC | 995 | 860 | 1830 | 240~600 | 356 | 273 | 380 | 462~520 | 550 | 圖1 | 3-M20 |
BT350LR/LC


| power | Model | Max Viscldity | Power supply |
Motor power
kW |
packing Size
L x P x H mm |
Net weight
kg |
| 1364~4151 | BT350LR/LC | 1.5 | 380V 50Hz | 9 | 1620x1200x960 | 256/310 |
| Model | A | B | C | D | E | F | N | L | I | 圖號 | M |
| mm | mm | mm | mm | Φmm | Φmm | Φmm | Φmm | mm | - | M | |
| BT350LR/LC | 995 | 860 | 1830 | 240~600 | 356 | 273 | 380 | 462~520 | 550 | 圖1 | 3-M20 |
BT600LR/LC


| power | Model | Max Viscldity | Power supply |
Motor power
kW |
packing Size
L x P x H mm |
Net weight
kg |
| 1840~5522 | BT600LR*/LC | 1.5 | 380V 50Hz | 12.5 | 1620x1200x960 | 276/330 |
| Model | A | B | C | D | E | F | N | L | I | 圖號 | M |
| mm | mm | mm | mm | Φmm | Φmm | Φmm | Φmm | mm | - | M | |
| BT600LR/LC | 970 | 860 | 1800 | 500 | 365 | 325 | 380 | 520 | 580 | 圖2 | 6-M20 |






