1.Light oil burner.
2.Single stage operation (on/off).
3.High pressure mechanical atomisation of fuel using nozzle.
4.Ability to obtain optimal combustion values by regulating combustion air and blast-pipe.
5.Manual flow adjustment.
6.One flange and one insulating seal for boiler fastening.
7.Combustion air intake with air flow adjustment device
8.Sliding boiler coupling flange to adapt to head protrusion of the various types of boilers.
9.Adjustable blast-pipe with stainless steel nozzle and deflector disk in steel.
10.Monophase electric motor to run fan and pump.
11.Flame presence check by photoresistance.
12.Electrical plant protection rating Ip40.
Products
BT-M8SLF/M12SLOne-stage Light Oil Burner
Product Model
BT-M8SL


| power | Model | Art No. | Max Viscldity | Power supply |
Motor power
kW |
packing Size
L x P x H mm |
Net weight
kg |
| 47~95 | BT-M8SL | 20120101 | 1.5 | 230V 50Hz | 0.13 | 500x310x330 | 10 |
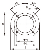
| Model | A | B | C | D | E | F | N | L | I | I1 | M |
| mm | mm | mm | mm | Φmm | Φmm | Φmm | Φmm | mm | mm | M | |
| BT-M8SL | 330 | 220 | 340 | 120 | 89 | 89 | 95 | 138~167 | 183 | 150 | 4-M8 |
BT-M12SL


| power | Model | Art No. | Max Viscldity | Power supply |
Motor power
kW |
packing Size
L x P x H mm |
Net weight
kg |
| 70~140 | BT-M12SL | 20120102 | 1.5 | 230V 50Hz | 0.13 | 500x310x330 | 12 |
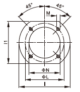
| Model | A | B | C | D | E | F | N | L | I | I1 | M |
| mm | mm | mm | mm | Φmm | Φmm | Φmm | Φmm | mm | mm | M | |
| BT-M12SL | 330 | 220 | 360 | 140 | 89 | 89 | 95 | 138~167 | 183 | 150 | 4-M8 |






